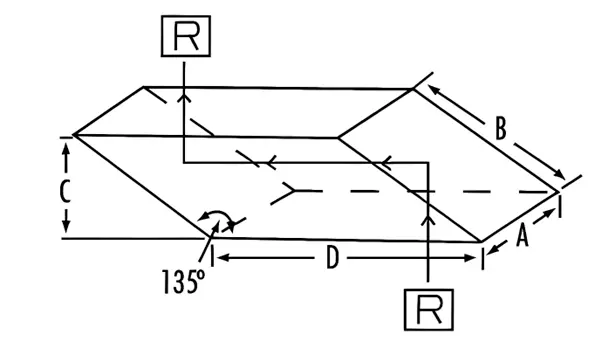
Home / Custom / Optical Components / Optical Prism / Rhomboid Prism Rhombic prisms are used to displace a beam laterally without changing its direction. They may be coated to transmit part of the beam and produce two parallel and displaced emerging beams. Can be coated to produce a polarizing beam separator.

| Items | Parameters |
|---|---|
| Material | BK7 glass / UV Fused Silica |
| Surface Flatness | < λ / 8 @ 633 nm |
| Surface Quality | 60/40, 40/20, 20/10 |
| Dimension Tolerance | + 0.00 / – 0.20 mm |
| Angle Deviation | < 3 arc min~ 30arc sec. |
| Clear Aperture | > 85% |
| Bevel | 0.3 mm x 45° |
| Coating | According to customer requirements |